广州致远 CANScope总线综合分析仪
CANScope总线综合分析仪是一款综合性的CAN总线开发与测试的专业工具,集海量存储示波器、网络分析仪、误码率分析仪、协议分析仪及可靠性测试工具于一身,并把各种仪器有机的整合和关联;重新定义CAN总线的开发测试方法,可对CAN网络通信正确性、可靠性、合理性进行多角度*的评估;帮助用户快速定位故障节点,解决CAN总线应用的各种问题,是CAN总线开发测试的工具。
应用CANScope总线综合分析仪强大的分析软件,配合《CAN总线故障诊断与解决(专家版)》的“十步法排查CAN总线故障”指导,用户可以轻松准确地排查和预防95%以上的CAN总线问题,同时用户可以获得致远电子CAN总线专家的悉心指导和上门服务,解决全部的CAN总线问题。

广州致远 CANScope总线综合分析仪主要技术参数
名称 | CANScope-Pro (专业版) | CANScope-Standard (标准版) | CANScope-Basic (基本版) |
硬件 | 1、M12型5芯标准CANbus通信线缆(1条) 2、耐用2mm测试勾(大支持2mm线缆)(5个) 3、鳄鱼夹DC电源线(1个) 4、交流电源适配器(1个) 5、P1040T高速CAN总线收发头(1个) 6、P8251T低速CAN总线收发头(1个) 7、高级收纳包(1个) 8、便携包(1个) | 1、M12型5芯标准CANbus通信线缆(1条) 2、耐用2mm测试勾(大支持2mm线缆)(5个) 3、鳄鱼夹DC电源线(1个) 4、交流电源适配器(1个) 5、P1040T高速CAN总线收发头(1个) 6、P8251T低速CAN总线收发头(1个) 7、便携包(1个) | 1、M12型5芯标准CANbus通信线缆(1条) 2、耐用2mm测试勾(大支持2mm线缆)(5个) 3、鳄鱼夹DC电源线(1个) 4、交流电源适配器(1个) 5、P1040T高速CAN总线收发头(1个) 6、P8251T低速CAN总线收发头(1个) |
软件 | 1、实时示波器,自动波特率侦测插件 2、FFT现场干扰分析插件 3、硬件眼图分析工具插件 4、全功能数字干扰插件 5、总线数据波形大容量记录插件 6、总线频率响应、延时分析插件 7、采样点测试、位宽度容忍、对称性测试插件 8、总线阻、容抗、斜率分析插件 9、图形化总线应用协议分析插件 10、软件眼图与事件标记插件 11、全自动测试仪插件 12、全自动信号质量分析插件 13、基于USB的二次开发库 14、充电桩与BMS解析与仿真 15、总线利用率 16、报文周期 17、触发发送与规则发送 18、报文解析列表 | 1、实时示波器,自动波特率侦测插件 2、FFT现场干扰分析插件 3、硬件眼图分析工具插件 4、总线数据波形大容量记录插件 5、总线频率响应、延时分析插件 6、图形化总线应用协议分析插件 7、基于USB的二次开发库 8、全自动信号质量分析插件 9、充电桩与BMS解析与仿真 10、总线利用率 11、报文周期 12、触发发送与规则发送 13、报文解析列表 | 1、自动波特率侦测插件 2、图形化总线应用协议分析插件 3、基于USB的二次开发库 4、充电桩与BMS解析与仿真 5、总线利用率 6、报文周期 7、触发发送与规则发送 8、报文解析列表 |
CANScope-Basic(基本版) 选件表
名称 | 数量 | 类型和说明 |
CANScope-StressZ模拟测量与干扰扩展板 (专业版选配件) | 1 | 硬件 | 1、M12型5芯标准CANbus通信线缆1条; 2、耐用2mm测试勾(大支持2mm线缆)。5个 |
软件 | 1、模拟干扰测试插件。 2、网络终端电阻测试插件。 3、阻抗相位插件。 4、总线长度,容抗,阻抗模拟插件 |
便携移动电源 (选配件) | 1 | 硬件 | 便携式电源,MobilePower,可以用于CAN分析仪与逻辑分析仪选配, 方便在现场测试。可持续1-1.5小时 |
大容量便携移动电源 (选配件) | 1 | 硬件 | 大容量便携式电源,PT96,可以用于CAN分析仪,、逻辑分析仪、笔记本电池选配, 方便在现场测试。可持续3-5小时。 |
CANScope-P1055T (选配件) | 1 | 硬件 | 容错CAN适配器,可接入汽车容错CAN网络进行测试 |
CANScope-P7356 (选配件) | 1 | 硬件 | 单线CAN适配器,可接入汽车单线CAN网络进行测试 |
M12通信电缆 (选配件) | 1 | 硬件 | 测试线缆 (用于测试线缆的备件,线缆使用寿命一般为一年) |
M12通信延长线 (选配件) | 1 | 硬件 | 测试线缆的延长线,M12公头转母头,2米 ,1.11.06.0122 |
M12-OBD (选配件) | 1 | 硬件 | 汽车OBD接头,可接入汽车标准的诊断口 |
附加服务CANservice (选配件) | 1 | 服务 | 1、使用培训与现场专家服务(1次免费,超过1次每次收取5000元,不含交通住宿费用) |
2、延长保修服务(5000元/年) |
3、软件升级服务。(免费) |
CANScope-Basic(基本版) 产品功能
CAN-bus总线故障排查与解决的利器,扬我国威!
目前已经成功为高速铁路、地铁、医疗、工程机械、航空航天、楼宇安防、电梯控制、煤矿安全等场合排除各种故障。

CAN-bus利器——CANScope分析仪系列

强大的分析软件
可以对波形进行眼图分析、FFT分析、信号质量分析等

数据波形同步接收+对应查看
*的数据波形同步接收+对应查看方式,轻松找到故障原因

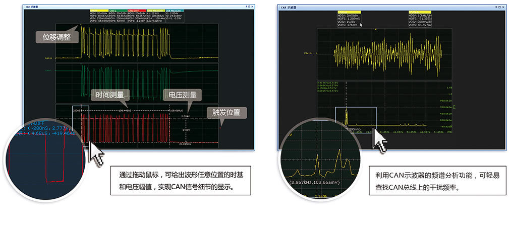
示波器界面
CANScope 集成100MHZ 实时示波器,开机后即可自动进行匹配波特率。可以对CANH,CANL,CAN 差分进行分别测量。获得位宽、 幅值、过冲、共模电压等等常规信息。另外还能对波形进行实时傅里叶变换(FFT),将不同频率的信号分离出来,从而实现发现干扰源的目的。

集成丰富的软件插件

全自动CAN可靠性评测软件
基于汽车电子、轨道交通、航空航天、船舶电子等行业的要求,集成信号测试、故障定位、压力可靠性测试,一站式解决CAN 的所有问题。

配套详尽的故障排查与节点标定资料

支持车载DBC解码、CANopen、J1939协议、
国网充电桩与BMS协议分析

信号质量综合分析软件
是我们给上海通用汽车做的节点信号质量测试软件,也可以通过分析每个焊接机器人CAN节点发出的波形,自动对其的小电压幅值、大电压幅值、信号幅值、波形上升沿时间、波形下降沿时间、信号时间进行综合“评分”,然后通过柱状图来直观显示出每个CAN帧ID的信号质量。便于出厂和日常维护检修

充电桩与BMS通讯仿真测试软件
是我们给某验证中心定制的充电桩与BMS通讯测试软件,用于测试被测充电桩或者新能源汽车BMS是否符合国标GB/T27930,用测试结果来颁发准入牌照。

符合CAN 2.0B规范,兼容CAN 2.0A,符合ISO 11898-1/2
CAN协议*符合CAN 2.0B规范,兼容CAN 2.0A,符合ISO 11898-1/2。
用户可以通过选配容错CAN(低速CAN)或者单线CAN适配头,支持ISO11898-3标准。

现场故障排查(一)
成都地铁2号线CAN通讯质量优化

现场故障排查(二)
新能源客车干扰故障排查与整改

现场故障排查(三)
某机场气象雷达故障排查

现场故障排查(四)
某电网公司充电桩故障排查

现场故障排查(五)
某机器人研究所CAN通讯测试

现场故障排查(六)
某重型卡车CAN通讯“体检”
